一、測量原理
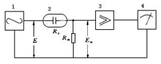
電導率儀的工作原理如圖所示。
1.振蕩器 2.電導池 3.放大器 4.指示器
把振蕩器產生的一個交流電壓源 E,送到電導池 Rx與量程電阻(分壓電阻)Rm的串聯回路里,電導池里的溶液電導愈大,Rx愈小,Rm獲得的電壓 Em也就越大。將 Em送至交流
放大器放大,再經過訊號整流,以獲得推動表頭的直流訊號輸出,表頭直讀電導率。
二、使用方法
(1)打開電源開關前,應觀察表針是否指零,若不指零時,可調節表頭的螺絲,使表針指零。
(2))根據電極選用原則,選好電極并插入電極插口。各類電極要注意調節好配套電極常數。將校正、測量開關撥在“校正”位置。
(3)插好電源后,再打開電源開關,此時指示燈亮。預熱數分鐘,待指針完全穩定下來為止。調節校正調節器,使表針指向滿刻度。
(4)根據待測液電導率的大致范圍選用低周或高周,并將高周、低周開關撥向所選位置。
(5)將量程選擇開關撥到測量所需范圍。如預先不知道被測溶液電導率的大小,則由最大檔逐檔下降至合適范圍,以防表針打彎。
(6)傾去電導池中電導水將電導池和電極用少量待測液洗滌 2~3 次,再將電極浸入待測液中并恒溫。
(7)將校正、測量開關撥向“測量”,這時表頭上的指示讀數乘以量程開關的倍率,即為待測液的實際電導率。
(8)當用 0μS·cm-1~0.1μS·cm-1或 0μS·cm-1~0.3μS·cm-1這兩檔測量高純水時,在電極未浸入溶液前,調節電容補償調節器,使表頭指示為最小值(此最小值是電極鉑片間的漏阻,由于此漏阻的存在,使調節電容補償調節器時表頭指針不能達到零點),然后開始測量。
(9)10mV 的輸出可以接到自動平衡記錄儀或進行計算機采集。
附錄:重蒸餾水
蒸餾水是電的不良導體。但由于溶有雜質,如二氧化碳和可溶性固體雜質,它的電導顯得很大,影響電導測量的結果,因而需對蒸餾水進行處理。處理的方法是向蒸餾水中加人少量高錳酸鉀,用硬質玻璃燒瓶進行蒸餾。

