旋光儀是測定物質旋光度(角度)的儀器,可以分析物質的濃度、含量、純度等,已經廣泛應用在制藥、制糖、石油、食品、化工、醫療等行業的生產、檢驗和科研部門。
現以使用最為普遍的上海物理光學儀器廠生產的WZZ-1、WZZ-2型自動指示旋光儀(以下簡稱旋光儀)為例,對其電路基本原理及常見故障修理方法介紹如下。
一、旋光儀的電路原理
旋光儀的電路原理框圖如圖1。

鈉光燈在交流供電下起輝燃亮 , 然后由直流電流供電 , 在濾光片(589.4nm ) 的單色作用下 , 輻射出能量穩定的單色光。此單色光經過起偏器 , 形成線偏振光 , 通過磁旋線圈后 , 根據磁致旋光效應 , 變為一振動頻率為 100Hz 的光訊號。此光穿過會產生旋光效應的樣品( 室 ) 后偏轉角發生了α度的變化 , 振動頻率又變為 50Hz, 被光電倍增管 E 接收 , 發出同頻率的電信號 , 經前置放大器、選頻放大器、功率放大器等放大后 ,驅動可逆伺服電機旋轉 , 和伺服電機相連的起偏器也跟著旋轉 , 轉動角度α , 它的大小可由鼓輪上的刻度或讀數計數器直接讀出。
二、旋光儀常見故障及修理
打開儀器后蓋 , 從后往前看 , 可見四塊電路板固定在各自的框架上 , 即穩壓電源、光源、高壓電源、選頻放大電路和功率放大電路。
1、開機后納燈不亮
開機后鈉光燈處于起輝狀態 , 由 220V 交流電源經鎮流器和3A保險絲管供給 , 可用萬用表交流檔測鈉光燈接線管腳兩端是否有 220V 左右的交流電壓 , 若有 , 則鈉光燈管壞 ; 若無則3A保險絲管壞。
2 、交流供電時 , 鈉燈亮 , 直流供電時鈉燈不亮
(1) 交流供電時間不夠長 , 延長交流供電預熱時間 ;
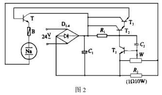
(2) 鈉燈起輝后 , 由穩流電路供電 ,其電路如圖 2 所示。

其主要元器件在第二塊電路板上 , 這是一個串聯型穩流電路 , 調整管 T 與 T 2 、 T 3 組成復合管, T1 為放大器 , R 2 、 W 2 組成電流取樣環節。先查 0 1 75A 保險絲管是否損壞。再查橋式整流電路有無直流電流輸出 , 若沒有輸出 , 則整流二極管 ( D 1 ~ D 4 ) 壞。若有輸出再查復合管( T 、 T 2 和 T 3 ) 和 T 1 各管的基極與發射極之間是否有約 0 17V的電壓 , 若無則說明此管已壞。
根據筆者的經驗 , 最易壞的是整流二極管和 T 1管。
3、直流供電時鈉燈過亮或過暗
在納燈直流供電電路板中 , 找出 R 2(18 ) 電阻 , 測其兩端電壓 , 調節電位器 W 2 , 使電壓為 1 12V~1 1 3V , 此時鈉燈電流為 1 1 2 ~ 1 13A。若低于或高于此值 , 都會影響鈉燈的壽命和儀器的靈敏度。特別是 R 2 為一個大功率電阻 , 流經它的電流過大會使它過熱 , 導致電路板冒煙 , 碳化 , 這時應立即關機 , 先檢查電位器 W 有無接觸不良的情況 , 然后再查 T 1 , T 2 和 T 3 管是否被擊穿短路或斷路的情況。
4 、將示數開關撥向上方 , 按下復測鈕 , 電機不轉動
此類情況多數為復測按鈕接觸不良或穩壓電源有故障所致。在查找穩壓電源故障時 , 用萬用表量一下左面第一塊電路板的電位測試點 ( 參看儀器說明書 ) 有無 21V 直流電壓 ,若無則將示數開關撥向下方 , 再次測量 , 若電壓正常為 21V , 則說明穩壓電源的負載電路有短路現象 , 造成穩壓電源輸出電流過大 , 使過流保護電路起作用 , 切斷了穩壓電源的輸出。 若電壓仍不正常 , 則是穩壓電源板本身的故障 , 可對晶體管逐只進行查找 , 重點放在大功率管3DD102B 上。
5 、按下復測鈕時 , 電機轉動 , 松開復測鈕 ,電機不轉 , 或轉動異常緩慢
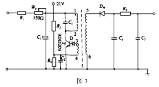
此種情況最常見 ,也是牽涉面最廣的。首先應測量各電路板電位測試點與零電位的直流電壓 , 從左至右的正常值分別為 + 21V , -600 ~ 1200V , + 5 ~ 6V , +3 1 5 ~ + 4V , 若電壓值偏離過大 , 則說明故障多出在此電路板上。在選頻放大板上重點檢查3DJ6F 、 3DG6B 各管。在功率放大板上應重點檢查 3DG102B 和 3DD130A 各管。根據筆者經驗 , 此種電路故障主要出在高壓振蕩電路 ( 即第二塊電路板上 ) 。電路圖如圖 3 。由此電路將直流穩壓電源提供的 21V 電壓 , 經高壓振蕩控制電路控制 , 由高頻振蕩變壓器產生振蕩 , 變為交流 , 然后經變壓整流變為直流提供給光電倍增管 600 ~ 1200V 的負電壓。 調節 W c 可改變振蕩的強弱 , 從而調節輸出電壓的高低。若調節 W c 無法使測量頭電壓達到 - 600V 以上時 , 可先檢查 T (3DD203) 管的基極、發射極間是否有 0 17V左右的電壓 , 若無則此管壞。 再查穩流二極管 D W 是否壞。 最后將檢查的重點放在高壓振蕩器上。由于次級線圈5 、 6 繞組的匝數比 1 、 2 和 3 、 4 繞組的匝數多得多 , 且繞的導線相當細 , 電壓又高 , 因此很容易引起匝間短路或斷路 , 使輸出電壓變小或無輸出。因此此振蕩器最易損壞。
若各電路板電壓都正常 , 則需對光電倍增管均壓電阻、陽極電阻進行檢查。測試任一均壓電阻兩端應有 60 ~ 150V 的電壓降 , 如果電壓降為零 , 則均壓電阻出現斷路 , 關掉儀器電源 , 逐只測量均壓電阻阻值 , 找出開路電阻 , 更換之。
6 、儀器示值往返擺動停不下來
這是由于整機靈敏度過高 , 阻尼過小造成的?捎闷鹱诱{節第二和第四塊電路板的電位器。方法是 : 先將第四塊電路板的三個電位器( W 1 、 W 2 、 W 3 ) 的活動臂調節至中間位置 , 第二塊電路板的電位器 ( W c ) 的活動臂順時針旋到頭。然后根據電機旋轉速度 , 如若想加快 , 則順時針調節 W 1 、 W 2 、 W 3 , 若想減慢 , 則反之。若感到靈敏度偏低 , 可逆時針適當調節 W c , 然后再調節 W 1 、 W 2 、 W 3 , 直至靈敏度適合為止。

