一、前言
透明膠帶是人們平時經常使用的物品,用于連接兩個不同材料或包裝。本文主要探索日用品透明膠帶是否安全?是否含有DMP、DIBP、DBP、BBP、DCYHP和DEHP多種增塑劑?而增塑劑屬于有毒物品,可燃、燃燒可產生刺激性煙霧。所以,對于日常接觸較多的透明膠帶,有必要檢測一下它是否含有增塑劑。

二、檢測步驟
1.試劑
1.1 苯甲酸芐酯(內標),≥98%;
1.2 正己烷;
1.3 鄰苯二甲酸酯類,≥98%,
包括:鄰苯二甲酸丁芐酯,鄰苯二甲酸二甲酯,鄰苯二甲酸二乙酯,鄰苯二甲酸丁酯,鄰苯二甲酸異丁酯,鄰苯二甲酸二正辛酯,鄰苯二甲酸二(2-乙基)己酯;
1.4實驗中所用水須符合GB/T6682中一級水的要求;
2.儀器條件
2.1氣相色譜儀載氣:氦氣,純度≥99.999%,恒流模式1.2mL/min;
2.2進樣量:1uL,分流進樣(分流比為10:1);
2.3進樣口溫度:280℃;
2.4程序升溫:初始溫度:100℃,保持1min;以20℃/min升到180℃,再以10℃/min升到280℃,保持10min.
2.5質譜條件
a.溶劑延遲時間4min;
b.傳輸線280℃;
c.離子源230℃;
d.四級桿150℃;
e.電離能量70eV;
f.電離方式:電子轟擊源(EI);
g.測定方式:全掃描的總離子流圖(TIC)定性,選擇離子監視方式(SIM)定量;
2.6定性分析
采用樣品保留時間,待測組分離子的特征及各定性離子豐度比進行定性分析。
2.7 定量分析
采用選擇性分段離子掃描模式分段掃描,以特征離子進行定量分析。各組分特征離子的選擇見表1;
3.萃取液
用萬分之一電子天平稱取0.04g(精確至0.1mg)苯甲酸芐酯(內標)溶于4L的正己烷中,搖勻,配制成苯甲芐酯(內標)濃度約為10ug/ml正已烷溶液。
4.標準溶液
4.1標準儲備液
分別準確稱取各種鄰苯二甲酸酯標準品0.01g(精確至0.1mg)于100ml的容量瓶中,用含內標的正已烷溶液配制成各鄰苯二甲酸酯濃度為100ug/mL的混合標準儲備液。貯存于0~4℃的冰箱內,取用時放置于常溫下,達到室溫后方可使用,有效期不超過3個月。
4.2標準工作溶液
分別移取10ml、5ml、2ml標準儲備液(4.1)于100ml的容量瓶中,用萃取液(5.3)定容至刻度,配制的系列標準溶液濃度為:每毫升萃取液含有鄰苯二甲酸酯分別為10ug、5ug、2ug,依次為1,2,3級標準溶液;再取2級標準溶液10ml于100ml的容量瓶中,得到濃度為0.5ug/ml的4級標準溶液。
5.標準工作曲線的繪制
分別取標準工作溶液(4.2)進行GC-MS分析,縱坐標為各鄰苯二甲酸酯的定量離子峰面積與內標物定量離子峰面積的比值,橫坐標為各鄰苯二甲酸酯濃度(每毫升萃取液中含鄰苯二甲酸酯的質量),作各鄰苯二甲酸酯的標準工作曲線,工作曲線線性相關系數R2≥0.99。
每次試驗均應制作標準曲線,每20次樣品測定后進入一個中等濃度的標準溶液,如果測得的值與原值相差超過3%,應重新進行標準曲線的制作。
6.樣品制備
用剪刀將透明膠帶剪碎,用十分之一電子天平稱取0.5g(精確至0.1g)于25mL具塞磨口三角瓶中,加入2mL一級水,混合均勻后準確加入10mL萃取液(5.3),20Hz常溫超聲萃取30min,取10mL萃取液于離心試管中常溫8000rpm/min離心10min,取上層清液進行GC-MS分析。
若所測試樣中鄰苯二甲酸酯濃度超出標準曲線范圍,則作適當倍數的稀釋后進行測定。
7.空白試驗
不加樣品,重復6步驟,進行GC-MS分析。
二、定性確證
在2.儀器條件下,試樣待測溶液和標準品的選擇離子色譜峰在相同保留時間處(±0.2min)出現,并且對應質譜碎片離子的質荷比與標準品一致,其豐度比與標準品相比應符合:相對豐度>50%時,允許±10%偏差;相對豐度20%~50%時,允許±15%偏差;相對豐度10%~20%時,允許±20%偏差;相對豐度≤10%時,允許有±50%偏差,此時可定性確證目標分析物。
三、結果與計算的表達
樣品中各鄰苯二甲酸酯的含量按下式進行計算:
Xi=(Ci-C0)×V×S/m
式中:
Xi——試樣中鄰苯二甲酸酯類的含量,單位為mg/kg
Ci——由標準曲線中得出試樣中鄰苯二甲酸酯類的濃度,單位為mg/L;
C0——由標準曲線中得出的空白中鄰苯二甲酸酯類濃度,單位為mg/L;
V——萃取液體積,單位為mL;
S——代表試樣溶液的稀釋因子;
m——試樣質量,單位為g。
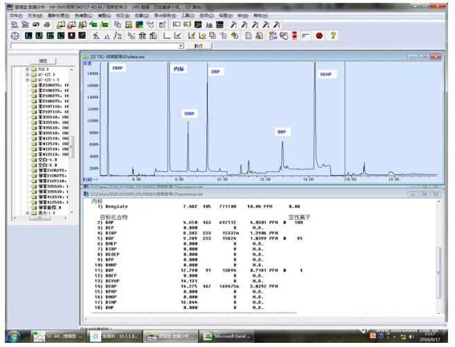
透明膠帶的色譜圖與標準溶液色譜圖作對比以作定性如下圖1.
透明膠帶測試所得的色譜圖及含量如下圖2:
由公式 Xi=(Ci-C0)×V×S/m 及所稱樣品量為0.5g可得到鄰苯二甲酸酯的含量如下表2.

如表2中所示含量,膠帶鄰苯二甲酸酯的總含量為80.602+25.812+36.798+14.362+76.584=234.158 PPM> 169PPM(定量限見下表3),所以日常所用的透明膠帶需慎用,其增塑劑含量超標,不能用于食品的包裝、加工等。
四、方法回收率要求、檢出限和定量限
方法的回收率要求,檢出限和定量限見下表3.
五、相關文件
5.1《水基膠相關測試JSA》
5.2《環境因素評價表》
5.3《YCT333-2010 煙用水基膠 鄰苯二甲酸酯類 氣相色譜-質譜聯用法》
(內容參考儀器信息網)

