色譜儀常用來進行組分分析,氣相色譜有很多專用氣路閥圖,如單閥雙柱、雙閥雙柱、雙閥三柱、雙閥四柱、三閥四柱等。本文主要介紹一次進樣混合氣體中CO2、H2、Ar、N2、CH4、CO的組分分析色譜氣路閥圖知識。
一、單閥雙柱并聯氣路圖
優點:氣路簡單,不需切閥調整,分析速度快。
缺點:需要定期更換吸收CO2堿石棉管,樣氣均分進入兩根色譜柱,靈敏度會降低一倍左右(常量分析,影響較小)。
二、單閥雙柱切換氣路圖
優點:單閥單載氣。分析速度快。
缺點:含水、醇樣氣,進樣時需要過濾。
三、單閥雙碳分子篩柱氣路圖


優點:柱壽命長。
缺點:Ar、N2分離不完全,不適合高含量Ar、N2組分分析,分析時間較長。
四、雙閥雙柱氣路圖


優點:分析速度快,閥切時間容易調整。
缺點:含水、醇樣氣,進樣時需要過濾。
五、雙閥三柱(帶預柱反吹)氣路圖


優點:經典色譜氣路閥圖,含水含硫樣氣無需過濾,直接進樣,閥切時間容易調整,可切除可選取測定樣氣中硫、水、醇組分。
缺點:分析時間較長,閥2在關閉5A分子篩色譜柱過程中,會有微量空氣滲透,出現小氧氣峰、小氮氣峰干擾,干擾峰的大小和閥2關閉時間成正比。
六、雙閥三柱帶預柱反吹改進版氣路圖


優點:在雙閥三柱帶預柱反吹氣路閥圖基礎上,縮短了分析時間,去除了空氣干擾峰。
缺點:對色譜柱長度、柱溫選取要求較高,增加了閥切調整難度。
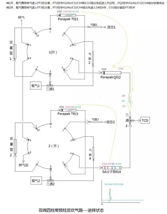
七、雙閥四柱氣路圖


優點:樣氣中各組分取舍自如,閥切時間容易調整,分析速度快。
缺點:兩路載氣分成四路,流量分配調整比較難。
八、三閥四柱雙TCD氣路圖
氣路分析見雙閥三柱帶預柱反吹改進版,這里不再敘述,注意:N2載氣分析H2,H2為負峰,需要極性反轉調整,除H2外,其它組分響應值非常小。
優點:選用H2、N2做載氣,所需組分全部出峰,歸一法定量,替代氦氣,運行成本低。
缺點:儀器造價較高。
閥圖中氣阻說明:作用是模擬色譜柱阻力,一般選用針閥或外徑1/16英寸內徑0.13-0.15mm不銹鋼管替代。
引申閱讀:關于載氣的選取
1、氫氣:H2、Ar、N2、CH4、CO、CO2組分分析必選載氣。
優點:靈敏度高,分析速度快。
缺點:安全性差,H2組分需要差減得出,外標法定量,對進樣手法要求較嚴。
2、氦氣:H2、Ar、N2、CH4、CO、CO2組分分析首選載氣。
優點:安全,靈敏度高,所需分析組分全部出峰,歸一法定量。
缺點:價格貴,對色譜柱長度和柱溫的選取要求較高(H2峰和CO2峰容易重疊),H2為負峰,需要極性反轉調整。
3、氮氣:用于H2單一組分分析,雙TCD檢測器選項。
(內容來源儀器信息網)
相關閱讀:

